Controcuscinetti
Applicazione
I nostri controcuscinetti sono utilizzati in combinazione con le nostre piattaforme girevoli per sostenere lunghe sovrastrutture che devono essere posizionate in modo rotatorio.
Proprietà dei cuscinetti non localizzati
I dischi rotanti sono montati su cuscinetti radialmente rigidi, ma possono compensare errori assiali e angolari.
Varianti personalizzate
I controcuscinetti sono disponibili in 3 misure per adattarsi alle 3 dimensioni delle piattaforme girevoli.
Come opzione, è disponibile anche una scala di 2 gradi sulla circonferenza della piattaforma girevole.
Combinazioni / varianti
-
Controcuscinetto GGL08Learn More
- Adatto per la tavola rotante DT36008
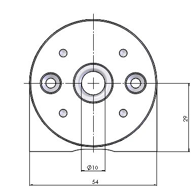
- Cuscinetti a perno con compensazione angolare e assiale
-
Controcuscinetto GGL12Learn More
- Adatto per tavolo rotante DT36012
- Cuscinetti a perno con compensazione angolare e assiale
