Tavolo rotante motorizzato MDT36008
- from 5 pieces 5%
- from 10 pieces 9%

- Adatto al montaggio coassiale di un motore standard passo-passo (Nema 17, □42mm)
- Rapporto di trasmisisone 40:1
Funzione
Vantaggi
Economico
Questo tavolo rotante motorizzato offre una soluzione economica per mansioni di regolazione e posizionamento su macchinari e attrezzature.
Poca manutenzione
La trasmissione a vite senza fine e tutti i cuscinetti rimangono sempre lubrificati, grazie agli O-ring presenti nel sistema. In questo modo non è necessaria alcuna manutenzione.
Sistema modulare
Il tavolo rotante motorizzato MDT36008 può essere combinato comodamente sia con le unità di regolazione motorizzate, che con quelle manuali, di grandezza 08.
Caratteristiche speciali

Flangia con trasmissione a giunto
La flangia del motore si presta al montaggio diretto di un motore passo-passo di dimensione Nema 17.
La frizione a giunto a 3 denti consente una trasmissione della coppia in uscita senza vibrazioni.
Dati tecnici
Precisione
Gioco/contraccolpo: <0,1°
Gioco radiale: <0,02 mm
Oscillazione assiale piatto rotante: <0,03mm
Velocità
Velocità di entrata max.: 600 1/min
Velocità di uscita max.: 15 g/min
Fattore di servizio max.: 100%
Dati
Rapporto di trasmissione: 40:1
Temperatura di esercizio: 10°C fino a 60°C
Materiali
Conforme alla normativa RoHS
Carter e piatto girevole: Alluminio anodizzato
Albero centrale: Acciao inox
Vite senza fine: Acciaio rettificato
Ruota dentata: Bronzo
Involucro frizione: Alluminio anodizzato
Frizione: Alluminio/Plastica
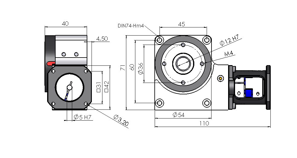
Ingombri e Peso

Dati motore Nema 17
Dimensione:
Corrente per avvolgimento:
Momento d'inerzia del rotore:
Induttivitá per avvolgimento:
Coppia di tenuta:
Resistenza per avvolgimento:
Risoluzione:
Werte
NEMA 17 (42 mm x 42 mm)
1,8 A
82 gcm²
3,3 mH
50 Ncm
1,75 Ω
1,8° pro step
---- 1,8 A / 48 V / bipolar
---- 1,8 A / 24 V / bipolar
Dati GSM17 Motore/centralina
Tensione di comando:
Tensione motore:
Connettore:
Interfaccia:
Corrente max.:
Coppia di tenuta:
Riduzione corrente:
Entrate:
Uscite:
Dyn. commutazione risoluzione passo:
Encoder:
Grado di protezione:
Werte
+24 V bis +36 V DC
+24 V bis +48 V DC
Seriell TTL + TTLconvertitore USB
Sub-D-Stecker 15pol HD
regolabile fino a 3 A
0,43 Nm
regolabile
6 / +24 V bis +36 V DC
4 / +24 V DC
1/8 1/4 1/2 1/1
integrato al monitoraggio della posizione
IP64
Modello NEMA 17 con centralina






















